PRODUCT CATEGORY
CONTACT US
- Tel: 0086-311-89642206
- E-mail: sales@hbmetals.com
- E-mail: info@hbmetals.com
ASME B16.47 Series B(API 605) WN RF Flange 400LB
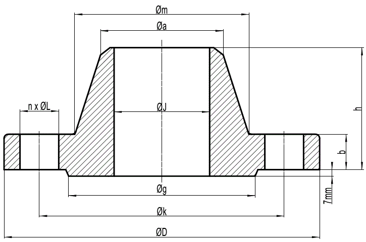
1. Drawing of ASME B16.47 Series B (API 605) WN RF Flanges Class 400
2. Dimensions and Weight of ASME B16.47 Series B (API 605) WN RF 400LB
|
NPS
|
Flange Dimensions
|
Hub
|
RF
|
Drilling Dimensions
|
Weight
|
||||||
|
D
inch mm |
J
inch mm |
b
inch mm |
h
inch mm |
a
inch mm |
m
inch mm |
g
inch mm |
No. of
Bolt Holes |
l
inch |
k
inch mm |
Pounds
Kilos |
|
|
26"
|
33.50
850 |
|
3.50
88.9 |
5.88
149 |
26.00
660.4 |
27.12
689 |
28.00
711 |
28
|
1-1/2"
|
30.75
781.0 |
365.92
165.95 |
|
28"
|
36.00
915 |
3.75
95.3 |
6.25
159 |
28.00
711.2 |
29.12
740 |
30.00
762 |
24
|
1-5/8"
|
33.00
838.2 |
450.88
204.48 |
|
|
30"
|
38.25
970 |
4.00
101.6 |
6.69
170 |
30.00
762.0 |
31.25
794 |
32.25
819 |
28
|
1-5/8"
|
35.25
895.4 |
527.44
239.20 |
|
|
32"
|
40.75
1035 |
4.25
108.0 |
7.06
179 |
32.00
812.8 |
33.25
845 |
34.38
873 |
28
|
1-3/4"
|
37.50
952.5 |
624.13
283.05 |
|
|
34"
|
42.75
1085 |
4.38
111.2 |
7.38
187 |
34.00
863.6 |
35.38
899 |
36.50
927 |
32
|
1-3/4"
|
39.50
1 003.3 |
678.94
307.91 |
|
|
36"
|
45.50
1155 |
4.69
119.1 |
7.88
200 |
36.00
914.4 |
37.50
952 |
38.62
981 |
28
|
1-7/8"
|
42.00
1 066.8 |
842.27
381.98 |
|
*D: outside diameter of flange; J: inside bore diameter of the flange, to be specified by users.
b: flange thickness; h: total length through hub; a: diam. of hub top; m: diameter of hub root;
g: diameter of raised face; k: diameter of bolt circle.
* Related products:
Views: 5352 Author:METALS INDUSTRIAL Date:2015/04/16





