PRODUCT CATEGORY
CONTACT US
- Tel: 0086-311-89642206
- E-mail: sales@hbmetals.com
- E-mail: info@hbmetals.com
ASME B16.47 Series B(API 605) WN RF Flange 75LB
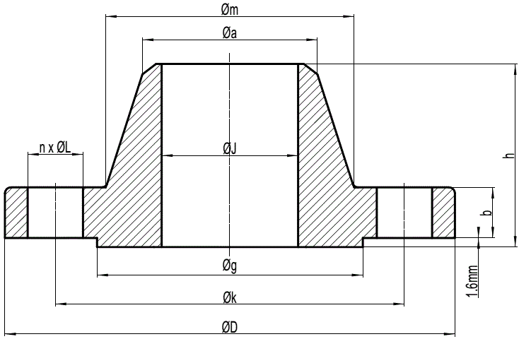
1. Drawing of ASME B16.47 Series B (API 605) WN RF Flanges Class 75
2. Dimensions and Weight of ASME B16.47 Series B (API 605) WN RF 75LB
|
NPS
|
Flange Dimensions
|
Hub
|
RF
|
Drilling Dimensions
|
Weight
|
||||||
|
D
inch mm |
J
inch mm |
b
inch mm |
h
inch mm |
a
inch mm |
m
inch mm |
g
inch mm |
No. of
Bolt Holes |
l
inch |
k
inch mm |
Pounds
Kilos |
|
|
26"
|
30.00
760.00 |
|
1.25
31.9 |
2.25
57 |
26.06
661.9 |
26.62
676 |
27.75
705 |
36
|
3/4"
|
28.50
723.90 |
88.13
39.97 |
|
28"
|
32.00
815.00 |
1.25
31.9 |
2.38
60 |
28.08
712.7 |
28.62
727 |
29.75
756 |
40
|
3/4"
|
30.50
774.7 |
96.71
43.86 |
|
|
30"
|
34.00
865.00 |
1.25
31.9 |
2.50
64 |
30.06
763.5 |
30.62
778 |
31.75
806 |
44
|
3/4"
|
32.50
825.50 |
105.40
47.80 |
|
|
32"
|
36.00
915.00 |
1.32
33.5 |
2.69
68 |
32.06
814.3 |
32.62
829 |
33.75
857 |
48
|
3/4"
|
34.50
876.30 |
141.31
64.09 |
|
|
34"
|
38.00
965.00 |
1.32
33.5 |
2.82
72 |
34.06
865.1 |
34.62
879 |
35.75
908 |
52
|
3/4"
|
36.50
927.1 |
128.26
58.17 |
|
|
36"
|
40.69
1035.00 |
1.38
35.0 |
3.32
84 |
36.06
915.9 |
36.81
935 |
38.00
965 |
40
|
7/8"
|
39.06
992.2 |
170.51
77.33 |
|
|
38"
|
42.69
1085.00 |
1.44
36.6 |
3.44
87 |
38.06
966.7 |
38.81
986 |
40.00
1016 |
40
|
7/8"
|
41.06
1043.0 |
186.32
84.50 |
|
|
40"
|
44.69
1135.00 |
1.44
36.6 |
3.57
91 |
40.06
1017.5 |
40.81
1037 |
42.00
1067 |
44
|
7/8"
|
43.06
1093.8 |
198.54
90.04 |
|
|
42"
|
46.69
1185.00 |
1.50
38.2 |
3.69
94 |
42.06
1068.3 |
42.81
1087 |
44.00
1118 |
48
|
7/8"
|
45.06
1144.6 |
216.02
97.97 |
|
|
44"
|
49.25
1250.00 |
1.63
41.4 |
4.07
103 |
44.06
1119.1 |
44.88
1140 |
46.25
1175 |
36
|
1"
|
47.38
1203.3 |
269.56
122.25 |
|
|
46"
|
51.25
1300.00 |
1.69
43.0 |
4.19
106 |
46.06
1169.9 |
46.88
1191 |
48.25
1226 |
40
|
1"
|
49.38
1254.1 |
290.84
131.90 |
|
|
48"
|
53.25
1355.00 |
1.75
44.6 |
4.32
110 |
48.06
1220.7 |
48.88
1241 |
50.25
1276 |
44
|
1"
|
51.38
1304.9 |
312.43
141.69 |
|
|
50"
|
55.25
1405.00 |
1.82
46.2 |
4.50
114 |
50.06
1271.5 |
50.94
1294 |
52.25
1327 |
44
|
1"
|
53.38
1355.7 |
339.22
153.84 |
|
|
52"
|
57.38
1455.00 |
1.82
46.2 |
4.69
119 |
52.06
1322.3 |
52.94
1345 |
54.25
1378 |
48
|
1"
|
55.50
1409.7 |
363.98
165.07 |
|
|
54"
|
59.38
1510.00 |
1.88
47.8 |
4.88
124 |
54.06
1371.1 |
55.00
1397 |
56.25
1429 |
48
|
1"
|
57.50
1460.50 |
394.30
178.82 |
|
|
56"
|
62.00
1575.00 |
1.94
49.3 |
5.25
133 |
56.06
1423.9 |
57.12
1451 |
58.50
1486 |
40
|
1-1/8"
|
59.88
1520.8 |
468.58
212.51 |
|
|
58"
|
64.00
1625.00 |
2.00
50.9 |
5.38
137 |
58.06
1474.7 |
59.12
1502 |
60.50
1537 |
44
|
1-1/8"
|
61.88
1571.6 |
497.21
225.49 |
|
|
60"
|
66.00
1675.00 |
2.13
54.1 |
5.63
143 |
60.06
1525.5 |
61.12
1553 |
62.50
1588 |
44
|
1-1/8"
|
63.88
1622.4 |
541.48
245.57 |
|
*D: outside diameter of flange; J: inside bore diameter of the flange, to be specified by users.
b: flange thickness; h: total length through hub; a: diam. of hub top; m: diameter of hub root;
g: diameter of raised face; k: diameter of bolt circle.
* Related products:
Views: 10042 Author:METALS INDUSTRIAL Date:2015/04/16





