PRODUCT CATEGORY
CONTACT US
- Tel: 0086-311-89642206
- E-mail: sales@hbmetals.com
- E-mail: info@hbmetals.com
ASME B16.47 Series B(API 605) WN RF Flange 900LB
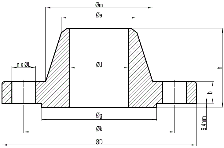
1. Drawing of ASME B16.47 Series B (API 605) WN RF Flanges Class 900
2. Dimensions and Weight of ASME B16.47 Series B (API 605) WN RF 900LB
|
NPS
|
Flange Dimensions
|
Hub
|
RF
|
Drilling Dimensions
|
Weight
|
||||||
|
D
inch mm |
J
inch mm |
b
inch mm |
h
inch mm |
a
inch mm |
m
inch mm |
g
inch mm |
No. of
Bolt Holes |
l
inch |
k
inch mm |
Pounds
Kilos |
|
|
26"
|
40.25
1020 |
|
5.31
135 |
10.19
259 |
26.00
660.4 |
29.25
743 |
30.00
762 |
20
|
2-5/8"
|
35.50
901.7 |
1132.58
513.64 |
|
28"
|
43.50
1105 |
5.81
147.7 |
10.88
276 |
28.00
711.2 |
31.38
797 |
32.25
819 |
20
|
2-7/8"
|
38.25
971.6 |
1124.92
646.22 |
|
|
30"
|
46.50
1180 |
6.12
155.6 |
11.38
289 |
30.00
762.0 |
33.50
851 |
34.50
876 |
20
|
3-1/8"
|
40.75
1035.0 |
1688.41
765.72 |
|
|
32"
|
48.75
1240 |
6.31
160.4 |
11.94
303 |
32.00
812.8 |
35.75
908 |
36.50
927 |
20
|
3-1/8"
|
43.00
1092.2 |
1903.05
863.06 |
|
|
34"
|
51.75
1315 |
6.75
171.5 |
12.56
319 |
34.00
863.6 |
37.88
962 |
39.00
991 |
20
|
3-3/8"
|
45.50
1155.7 |
2256.86
1023.52 |
|
|
36"
|
53.00
1345 |
6.81
173.1 |
12.81
325 |
36.00
914.4 |
40.00
1016 |
40.50
1029 |
24
|
3-1/8"
|
47.25
1200.2 |
2289.25
1038.21 |
|
*D: outside diameter of flange; J: inside bore diameter of the flange, to be specified by users.
b: flange thickness; h: total length through hub; a: diam. of hub top; m: diameter of hub root;
g: diameter of raised face; k: diameter of bolt circle.
* Related products:
Views: 11176 Author:METALS INDUSTRIAL Date:2015/04/16





