1. Dual Plate Wafer Check Valve Lug Type 6" Class 900 for Cryogenic Service
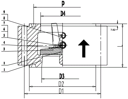
2. Parts and Materials
|
ITEM
|
PART NAME
|
MATERIAL
|
|
1
|
Body
|
ASTM A351 CF8M
|
|
2
|
Disc
|
ASTM A351 CF8M
|
|
3
|
Spring
|
Inconel X-750
|
|
4
|
Hinge Pin
|
ASTM A182 F316
|
|
5
|
End Retainer Ring
|
ASTM A182 F316
|
|
6
|
Middle Retainer Ring
|
ASTM A182 F316
|
|
7
|
Spring Retainer
|
ASTM A182 F316
|
|
8
|
Washer
|
ASTM A182 F316
|
|
9
|
Screw
|
ASTM A182 F316
|
3. Dimensions
|
NPS
|
MAIN DIMENSIONS
|
UNIT
WEIGHT |
|||||||
|
INCH
|
MM
|
D1
|
D2
|
D3
|
D4
|
L
|
P
|
n-Φd
|
|
|
6"
|
150
|
317.5
|
241
|
150
|
162
|
159
|
211.12
|
12-Φ32
|
95KGS
|
4. Technical Specifications
1) Designed and manufactured according to API 594.
2) Face to Face dimensions according to ASME B16.10.
3) Flange ends dimensions according to ASME B16.25.
4) Pressure test according to API 598.
Shell test pressure: 22.5 MPa, Sealing test: 16.5 MPa, Air test: 0.6 MPa
5) Low temperature test according to BS 6364.
Working temperature: -165~425℃
6) Applied to: oil, water, gas, liquid natural gas, etc.






