PRODUCT CATEGORY
CONTACT US
- Tel: 0086-311-89642206
- E-mail: sales@hbmetals.com
- E-mail: info@hbmetals.com
Forged Gate Valve Class 2500: Pressure Seal
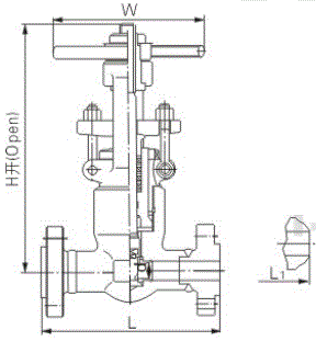
1. Drawing of Pressure Seal Forged Gate Valve Class 2500(RF, RTJ & BW)
2. Dim. & Weight of Pressure Seal Forged Gate Valve 2500LB(RF, RTJ & BW)
|
SPECIFICATION
|
1/4"
|
3/8"
|
1/2"
|
3/4"
|
1"
|
1-1/4"
|
1-1/2"
|
2"
|
||
|
FACE TO FACE
|
L(RF), L1(BW)
|
-
|
-
|
264
|
273
|
308
|
-
|
384
|
451
|
|
|
L(RTJ)
|
-
|
-
|
264
|
273
|
308
|
-
|
387
|
454
|
||
|
HANDWHEEL DIAMETER
|
W
|
-
|
-
|
200
|
200
|
200
|
-
|
280
|
300
|
|
|
HEIGHT
|
H
|
-
|
-
|
325
|
325
|
327
|
-
|
478
|
540
|
|
|
FLOW PORT
|
d
|
-
|
-
|
13.5
|
13.5
|
19
|
-
|
30
|
36.5
|
|
|
WEIGHT
|
-
|
-
|
14.60
|
16.80
|
17.60
|
-
|
25.00
|
31.90
|
||
*All dimensions are in mm unless otherwise specified.
*Both bolted bonnet and welded bonnet are available.
*Related products:
|
Forged Steel Gate Valve(SW & Threaded Ends)
|
|||
|
Bolted Bonnet
|
Welded Bonnet
|
Bolted Bonnet
|
Welded Bonnet
|
|
Forged Steel Gate Valve(Flanged & BW Ends)
|
|||
|
PRESSURE SEAL
|
|||
Views: 9958 Author:METALS INDUSTRIAL Date:2015/06/14





