PRODUCT CATEGORY
CONTACT US
- Tel: 0086-311-89642206
- E-mail: sales@hbmetals.com
- E-mail: info@hbmetals.com
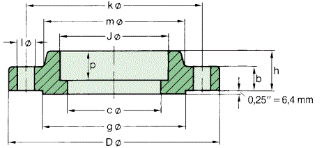
ASME/ANSI B16.5 Class1500 Socket Welding Flanges Dimensions and Weight
ASME/ANSI B16.5 Socket Welding(SW) Flange 1500LBS Dimensions and Weight List
The Wall Thickness of Pipes are according to ASME B36.10
|
Pipe
|
Flange
|
Hub
|
Raised
Face |
Bolting Dimensions
|
Approx.
Weight |
||||||||
|
Nominal
Size |
O D
in. mm |
D
in. mm |
J
in. mm |
c
in. mm |
p
in. mm |
b
in. mm |
h
in. mm |
m
in. mm |
g
in. mm |
Number
|
l
in. mm |
k
in. mm |
≈
Pounds Kgs |
|
1/2"
|
0,84
21,3 |
4,75
120,6 |
0,88
22,3 |
|
0,38
9,6 |
0,88
22,3 |
1,25
31,7 |
1,50
38,1 |
1,38
35,0 |
4
|
0,88
22,3 |
3,25
82,5 |
4,0
1,80 |
|
3/4"
|
1,05
26,7 |
5,12
130,0 |
1,09
27,7 |
|
0,44
11,1 |
1,00
25,4 |
1,38
35,0 |
1,75
44,4 |
1,69
42,9 |
4
|
0,88
22,3 |
3,50
88,9 |
5,3
2,41 |
|
1"
|
1,315
33,4 |
5,88
149,3 |
1,36
34,5 |
|
0,50
12,7 |
1,12
28,4 |
1,62
41,1 |
2,06
52,3 |
2,00
50,8 |
4
|
1,00
25,4 |
4,00
101,3 |
7,8
3,55 |
|
1 1/4"
|
1,66
42,2 |
6,25
158,7 |
1,70
43,2 |
|
0,56
14,2 |
1,12
28,4 |
1,62
41,1 |
2,50
63,5 |
2,50
63,5 |
4
|
1,00
25,4 |
4,38
111,2 |
8,9
4,02 |
|
1 1/2"
|
1,90
48,3 |
7,00
177,8 |
1,95
49,5 |
|
0,62
15,7 |
1,25
31,7 |
1,75
44,5 |
2,75
69,8 |
2,88
73,1 |
4
|
1,12
28,4 |
4,88
123,9 |
12,0
5,45 |
|
2"
|
2,375
60,3 |
8,50
215,9 |
2,44
62,0 |
|
0,69
17,5 |
1,50
38,1 |
2,25
57,1 |
4,12
104,6 |
3,62
91,9 |
8
|
1,00
25,4 |
6,50
165,1 |
22,5
10,2 |
|
2 1/2"
|
2,875
73,0 |
9,62
244,3 |
2,94
74,7 |
|
0,75
19,0 |
1,62
41,1 |
2,50
63,5 |
4,88
123,9 |
4,12
104,6 |
8
|
1,12
28,4 |
7,50
190,5 |
30,6
13,9 |
*Dimensions "c" to be specified by purchasers.
Email: anne@flange-valve-fittings.com Skype: anne.hbmetals
Tags:sw flange 1500lb socket weld flange 1500lb sw 1500lb socket welding flange 1500lb dimensions weight
Views: 5769 Author:METALS INDUSTRIAL Date:2015/02/02





