PRODUCT CATEGORY
CONTACT US
- Tel: 0086-311-89642206
- E-mail: sales@hbmetals.com
- E-mail: info@hbmetals.com
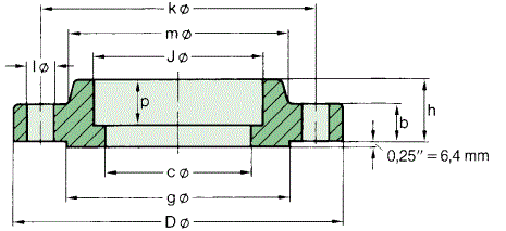
ASME/ANSI B16.5 Class600 Socket Welding Flanges Dimensions and Weight
ASME/ANSI B16.5 Socket Welding(SW) Flange 600LBS Dimensions and Weight List
The Wall Thickness of Pipes are according to ASME B36.10
|
Pipe
|
Flange
|
Hub
|
Raised
Face |
Bolting Dimensions
|
Approx.
Weight |
||||||||
|
Nominal
Size |
O D
in. mm |
D
in. mm |
J
in. mm |
c
in. mm |
p
in. mm |
b
in. mm |
h
in. mm |
m
in. mm |
g
in. mm |
Number
|
l
in. mm |
k
in. mm |
≈
Pounds Kgs |
|
1/2"
|
0,84
21,3 |
3,75
95,3 |
0,88
22,4 |
|
0,38
9,7 |
0,56
14,2 |
0,88
22,4 |
1,50
38,1 |
1,38
35,1 |
4
|
0,62
15,7 |
2,62
66,5 |
1,7
0,76 |
|
3/4"
|
1,05
26,7 |
4,62
117,3 |
1,09
27,7 |
0,44
11,2 |
0,62
15,7 |
1,00
25,4 |
1,88
47,8 |
1,69
42,9 |
4
|
0,75
19,1 |
3,25
82,6 |
2,8
1,29 |
|
|
1"
|
1,315
33,4 |
4,88
124,0 |
1,36
34,5 |
0,50
12,7 |
0,69
17,5 |
1,60
26,9 |
2,12
53,8 |
2,00
50,8 |
4
|
0,75
19,1 |
3,50
88,9 |
3,4
1,55 |
|
|
1 1/4"
|
1,66
42,2 |
2,25
133,4 |
1,70
43,2 |
0,56
14,2 |
0,81
20,6 |
1,12
28,4 |
2,50
63,5 |
2,50
63,5 |
4
|
0,75
19,1 |
3,88
98,6 |
4,5
2,06 |
|
|
1 1/2"
|
1,90
48,3 |
6,12
155,4 |
1,95
49,5 |
0,62
15,7 |
0,88
22,4 |
1,25
31,8 |
2,75
69,9 |
2,88
73,2 |
4
|
0,88
22,4 |
4,50
114,3 |
6,6
3,00 |
|
|
2"
|
2,375
60,3 |
6,50
165,1 |
2,44
62,0 |
0,69
17,5 |
1,00
25,4 |
1,44
36,6 |
3,31
84,1 |
3,62
91,9 |
8
|
0,75
19,1 |
5,00
127,0 |
8,1
3,67 |
|
|
2 1/2"
|
2,875
73,0 |
7,50
190,5 |
2,94
74,7 |
0,75
19,1 |
1,12
28,4 |
1,62
41,1 |
3,94
100,1 |
4,12
104,6 |
8
|
0,88
22,4 |
5,88
149,4 |
11,8
5,35 |
|
|
3"
|
3,50
88,9 |
8,25
209,6 |
3,57
90,7 |
0,81
20,6 |
1,25
31,8 |
1,81
46,0 |
4,62
117,3 |
5,00
127,0 |
8
|
0,88
22,4 |
6,62
168,1 |
15,6
7,06 |
|
*dimensions "c" to be specified by purchasers.
Email: anne@flange-valve-fittings.com Skype: anne.hbmetals
Tags:sw flange 600lb socket weld flange 600lb sw 600lb socket welding flange 600lb dimensions weight
Views: 10946 Author:METALS INDUSTRIAL Date:2015/02/02





