PRODUCT CATEGORY
CONTACT US
- Tel: 0086-311-89642206
- E-mail: sales@hbmetals.com
- E-mail: info@hbmetals.com
ASME B16.9: Reducing Tee & Cross(36"~48")
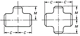
1. Technical Drawings of Reducing Tee & Cross(36"~48")(ASME B16.9)
2. Dimensions of Reducing Tee & Cross(36"~48")(ASME B16.9)
|
NPS
|
Outside Diameter
|
Center to End
|
NPS
|
Outside Diameter
|
Center to End
|
||||
|
Run
|
Outlet
|
Run C
|
Outlet M
|
Run
|
Outlet
|
Run C
|
Outlet M
|
||
|
36×36×34
|
914
|
864
|
673
|
660
|
42×42×24
|
1067
|
610
|
762
|
660
|
|
36×36×32
|
914
|
813
|
673
|
648
|
42×42×22
|
1067
|
559
|
762
|
660
|
|
36×36×30
|
914
|
762
|
673
|
635
|
42×42×20
|
1067
|
508
|
762
|
660
|
|
36×36×28
|
914
|
711
|
673
|
622
|
42×42×18
|
1067
|
457
|
762
|
648
|
|
36×36×26
|
914
|
660
|
673
|
622
|
42×42×16
|
1067
|
406.4
|
762
|
635
|
|
36×36×24
|
914
|
610
|
673
|
610
|
44×44×42
|
1118
|
1067
|
813
|
762
|
|
36×36×22
|
914
|
559
|
673
|
597
|
44×44×40
|
1118
|
1016
|
813
|
749
|
|
36×36×20
|
914
|
508
|
673
|
584
|
44×44×38
|
1118
|
965
|
813
|
737
|
|
36×36×18
|
914
|
457
|
673
|
572
|
44×44×36
|
1118
|
914
|
813
|
724
|
|
36×36×16
|
914
|
406.4
|
673
|
559
|
44×44×34
|
1118
|
864
|
813
|
724
|
|
38×38×36
|
965
|
914
|
711
|
711
|
44×44×32
|
1118
|
813
|
813
|
711
|
|
38×38×34
|
965
|
864
|
711
|
698
|
44×44×30
|
1118
|
762
|
813
|
711
|
|
38×38×32
|
965
|
813
|
711
|
686
|
44×44×28
|
1118
|
711
|
813
|
698
|
|
38×38×30
|
965
|
762
|
711
|
673
|
44×44×26
|
1118
|
660
|
813
|
698
|
|
38×38×28
|
965
|
711
|
711
|
648
|
44×44×24
|
1118
|
610
|
813
|
698
|
|
38×38×26
|
965
|
660
|
711
|
648
|
44×44×22
|
1118
|
559
|
813
|
686
|
|
38×38×24
|
965
|
610
|
711
|
635
|
44×44×20
|
1118
|
508
|
813
|
686
|
|
38×38×22
|
965
|
559
|
711
|
622
|
46×46×44
|
1168
|
1118
|
851
|
800
|
|
38×38×20
|
965
|
508
|
711
|
610
|
46×46×42
|
1168
|
1067
|
851
|
787
|
|
38×38×18
|
965
|
457
|
711
|
597
|
46×46×40
|
1168
|
1016
|
851
|
775
|
|
40×40×38
|
1016
|
965
|
749
|
749
|
46×46×38
|
1168
|
965
|
851
|
762
|
|
40×40×36
|
1016
|
914
|
749
|
737
|
46×46×36
|
1168
|
914
|
851
|
762
|
|
40×40×34
|
1016
|
864
|
749
|
724
|
46×46×34
|
1168
|
864
|
851
|
749
|
|
40×40×32
|
1016
|
813
|
749
|
711
|
46×46×32
|
1168
|
813
|
851
|
749
|
|
40×40×30
|
1016
|
762
|
749
|
698
|
46×46×30
|
1168
|
762
|
851
|
737
|
|
40×40×28
|
1016
|
711
|
749
|
673
|
46×46×28
|
1168
|
711
|
851
|
737
|
|
40×40×26
|
1016
|
660
|
749
|
673
|
46×46×26
|
1168
|
660
|
851
|
737
|
|
40×40×24
|
1016
|
610
|
749
|
660
|
46×46×24
|
1168
|
610
|
851
|
724
|
|
40×40×22
|
1016
|
559
|
749
|
648
|
46×46×22
|
1168
|
559
|
851
|
724
|
|
40×40×20
|
1016
|
508
|
749
|
635
|
48×48×46
|
1219
|
1168
|
889
|
838
|
|
40×40×18
|
1016
|
457
|
749
|
622
|
48×48×44
|
1219
|
1118
|
889
|
838
|
|
42×42×40
|
1067
|
1016
|
762
|
711
|
48×48×42
|
1219
|
1067
|
889
|
813
|
|
42×42×38
|
1067
|
968
|
762
|
711
|
48×48×40
|
1219
|
1016
|
889
|
813
|
|
42×42×36
|
1067
|
914
|
762
|
711
|
48×48×38
|
1219
|
965
|
889
|
813
|
|
42×42×34
|
1067
|
864
|
762
|
711
|
48×48×36
|
1219
|
914
|
889
|
787
|
|
42×42×32
|
1067
|
813
|
762
|
711
|
48×48×34
|
1219
|
864
|
889
|
787
|
|
42×42×30
|
1067
|
762
|
762
|
711
|
48×48×32
|
1219
|
813
|
889
|
787
|
|
42×42×28
|
1067
|
711
|
762
|
698
|
48×48×30
|
1219
|
762
|
889
|
762
|
|
42×42×26
|
1067
|
660
|
762
|
698
|
48×48×28
|
1219
|
711
|
889
|
762
|
|
|
|
|
|
|
48×48×26
|
1219
|
660
|
889
|
762
|
|
|
|
|
|
|
48×48×24
|
1219
|
610
|
889
|
737
|
|
|
|
|
|
|
48×48×22
|
1219
|
559
|
889
|
737
|
*All dimensions are in mm unit.
*Tolerances of dimensions are in conformance with ASME B16.9
*Related products:
|
ASME B16.9 BUTTWELDING PIPE FITTINGS
|
|||
Tags:from dn900 to dn1200
Views: 10102 Author:METALS INDUSTRIAL Date:2015/04/23





