PRODUCT CATEGORY
CONTACT US
- Tel: 0086-311-89642206
- E-mail: sales@hbmetals.com
- E-mail: info@hbmetals.com
ASME B16.9: Reducing Tee & Cross(16"~34")
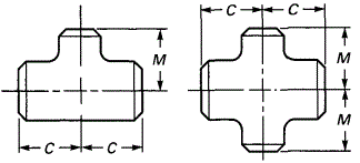
1. Technical Drawings of Reducing Tee & Cross(16"~34")(ASME B16.9)
2. Dimensions of Reducing Tee & Cross(16"~34")(ASME B16.9)
|
NPS
|
Outside Diameter
|
Center to End
|
NPS
|
Outside Diameter
|
Center to End
|
||||
|
Run
|
Outlet
|
Run C
|
Outlet M
|
Run
|
Outlet
|
Run C
|
Outlet M
|
||
|
16×16×14
|
406.4
|
355.6
|
305
|
305
|
28×28×26
|
711
|
661
|
521
|
521
|
|
16×16×12
|
406.4
|
323.8
|
305
|
295
|
28×28×24
|
711
|
610
|
521
|
508
|
|
16×16×10
|
406.4
|
273.0
|
305
|
283
|
28×28×22
|
711
|
559
|
521
|
495
|
|
16×16×8
|
406.4
|
219.1
|
305
|
273
|
28×28×20
|
711
|
508
|
521
|
483
|
|
16×16×6
|
406.4
|
168.3
|
305
|
264
|
28×28×18
|
711
|
457
|
521
|
470
|
|
18×18×16
|
457
|
406.4
|
343
|
330
|
28×28×16
|
711
|
406.4
|
521
|
457
|
|
18×18×14
|
457
|
355.6
|
343
|
330
|
28×28×14
|
711
|
355.6
|
521
|
457
|
|
18×18×12
|
457
|
323.8
|
343
|
321
|
28×28×12
|
711
|
323.8
|
521
|
448
|
|
18×18×10
|
457
|
273.0
|
343
|
308
|
30×30×28
|
762
|
711
|
559
|
546
|
|
18×18×8
|
457
|
219.1
|
343
|
298
|
30×30×26
|
762
|
660
|
559
|
546
|
|
20×20×18
|
508
|
457.0
|
381
|
368
|
30×30×24
|
762
|
610
|
559
|
533
|
|
20×20×16
|
508
|
406.4
|
381
|
356
|
30×30×22
|
762
|
559
|
559
|
521
|
|
20×20×14
|
508
|
355.6
|
381
|
356
|
30×30×20
|
762
|
508
|
559
|
508
|
|
20×20×12
|
508
|
323.8
|
381
|
346
|
30×30×18
|
762
|
457
|
559
|
495
|
|
20×20×10
|
508
|
273.0
|
381
|
333
|
30×30×16
|
762
|
406.4
|
559
|
483
|
|
20×20×8
|
508
|
219.1
|
381
|
324
|
30×30×14
|
762
|
355.6
|
559
|
483
|
|
22×22×20
|
559
|
508.0
|
419
|
406
|
30×30×12
|
762
|
323.8
|
559
|
473
|
|
22×22×18
|
559
|
457.0
|
419
|
394
|
30×30×10
|
762
|
273.0
|
559
|
460
|
|
22×22×16
|
559
|
406.4
|
419
|
381
|
32×32×30
|
813
|
762
|
597
|
584
|
|
22×22×14
|
559
|
355.6
|
419
|
381
|
32×32×28
|
813
|
711
|
597
|
572
|
|
22×22×12
|
559
|
323.8
|
419
|
371
|
32×32×26
|
813
|
660
|
597
|
572
|
|
22×22×10
|
559
|
273.0
|
419
|
359
|
32×32×24
|
813
|
610
|
597
|
559
|
|
24×24×22
|
610
|
559.0
|
432
|
432
|
32×32×22
|
813
|
559
|
597
|
546
|
|
24×24×20
|
610
|
508.0
|
432
|
432
|
32×32×20
|
813
|
508
|
597
|
533
|
|
24×24×18
|
610
|
457.0
|
432
|
419
|
32×32×18
|
813
|
457
|
597
|
521
|
|
24×24×16
|
610
|
406.4
|
432
|
406
|
32×32×16
|
813
|
406.4
|
597
|
508
|
|
24×24×14
|
610
|
355.6
|
432
|
406
|
32×32×14
|
813
|
355.6
|
597
|
508
|
|
24×24×12
|
610
|
323.8
|
432
|
397
|
34×34×32
|
864
|
813
|
635
|
622
|
|
24×24×10
|
610
|
273.0
|
432
|
384
|
34×34×30
|
864
|
762
|
635
|
610
|
|
26×26×24
|
660
|
610.0
|
495
|
483
|
34×34×28
|
864
|
711
|
635
|
597
|
|
26×26×22
|
660
|
559.0
|
495
|
470
|
34×34×26
|
864
|
660
|
635
|
597
|
|
26×26×20
|
660
|
508.0
|
495
|
457
|
34×34×24
|
864
|
610
|
635
|
584
|
|
26×26×18
|
660
|
457.0
|
495
|
444
|
34×34×22
|
864
|
559
|
635
|
572
|
|
26×26×16
|
660
|
406.4
|
495
|
432
|
34×34×20
|
864
|
508
|
635
|
559
|
|
26×26×14
|
660
|
355.6
|
495
|
432
|
34×34×18
|
864
|
457
|
635
|
546
|
|
26×26×12
|
660
|
323.8
|
495
|
422
|
34×34×16
|
864
|
406.4
|
635
|
533
|
*All dimensions are in mm unit.
*Tolerances of dimensions are in conformance with ASME B16.9
*Related products:
|
ASME B16.9 BUTTWELDING PIPE FITTINGS
|
|||
Tags:from dn400 to dn850
Views: 9370 Author:METALS INDUSTRIAL Date:2015/04/23





