PRODUCT CATEGORY
CONTACT US
- Tel: 0086-311-89642206
- E-mail: sales@hbmetals.com
- E-mail: info@hbmetals.com
ASME B16.9: Reducing Tee & Cross(1/2~14")
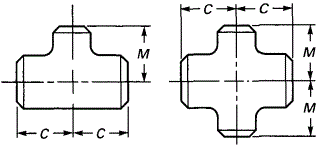
1. Technical Drawings of Reducing Tee & Cross(1/2" ~ 14")(ASME B16.9)
2. Dimensions of Reducing Tee & Cross(1/2" ~ 14")(ASME B16.9)
|
NPS
|
Outside Diameter
|
Center to End
|
NPS
|
Outside Diameter
|
Center to End
|
||||
|
Run
|
Outlet
|
Run C
|
Outlet M
|
Run
|
Outlet
|
Run C
|
Outlet M
|
||
|
1/2×1/2×3/8
|
21.3
|
17.3
|
25
|
25
|
4×4×3 1/2
|
114.3
|
101.6
|
105
|
102
|
|
1/2×1/2×1/4
|
21.3
|
13.7
|
25
|
25
|
4×4×3
|
114.3
|
88.9
|
105
|
98
|
|
3/4×3/4×1/2
|
26.7
|
21.3
|
29
|
29
|
4×4×2 1/2
|
114.3
|
73.0
|
105
|
95
|
|
3/4×3/4×3/8
|
26.7
|
17.3
|
29
|
29
|
4×4×2
|
114.3
|
60.3
|
105
|
89
|
|
1×1×3/4
|
33.4
|
26.7
|
38
|
38
|
4×4×1 1/2
|
114.3
|
48.3
|
105
|
86
|
|
1×1×1/2
|
33.4
|
21.3
|
38
|
38
|
5×5×4
|
141.3
|
114.3
|
124
|
117
|
|
1 1/4×1 1/4×1
|
42.2
|
33.4
|
48
|
48
|
5×5×3 1/2
|
141.3
|
101.6
|
124
|
114
|
|
1 1/4×1 1/4×3/4
|
42.2
|
26.7
|
48
|
48
|
5×5×3
|
141.3
|
88.9
|
124
|
111
|
|
1 1/4×1 1/4×1/2
|
42.2
|
21.3
|
48
|
48
|
5×5×2 1/2
|
141.3
|
73.0
|
124
|
108
|
|
1 1/2×1 1/2×1 1/4
|
48.3
|
42.2
|
57
|
57
|
5×5×2
|
141.3
|
60.3
|
124
|
105
|
|
1 1/2×1 1/2×1
|
48.3
|
33.4
|
57
|
57
|
6×6×5
|
168.3
|
141.3
|
143
|
137
|
|
1 1/2×1 1/2×3/4
|
48.3
|
26.7
|
57
|
57
|
6×6×4
|
168.3
|
114.3
|
143
|
130
|
|
1 1/2×1 1/2×1/2
|
48.3
|
21.3
|
57
|
57
|
6×6×3 1/2
|
168.3
|
101.6
|
143
|
127
|
|
2×2×1 1/2
|
60.3
|
48.3
|
64
|
60
|
6×6×3
|
168.3
|
88.9
|
143
|
124
|
|
2×2×1 1/4
|
60.3
|
42.2
|
64
|
57
|
6×6×2 1/2
|
168.3
|
73.0
|
143
|
121
|
|
2×2×1
|
60.3
|
33.4
|
64
|
51
|
8×8×6
|
219.1
|
168.3
|
178
|
168
|
|
2×2×3/4
|
60.3
|
26.7
|
64
|
44
|
8×8×5
|
219.1
|
141.3
|
178
|
162
|
|
2 1/2×2 1/2×2
|
73.0
|
60.3
|
76
|
70
|
8×8×4
|
219.1
|
114.3
|
178
|
156
|
|
2 1/2×2 1/2×1 1/2
|
73.0
|
48.3
|
76
|
67
|
8×8×3 1/2
|
219.1
|
101.6
|
178
|
152
|
|
2 1/2×2 1/2×1 1/4
|
73.0
|
42.2
|
76
|
64
|
10×10×8
|
273.0
|
219.1
|
216
|
203
|
|
2 1/2×2 1/2×1
|
73.0
|
33.4
|
76
|
57
|
10×10×6
|
273.0
|
168.3
|
216
|
194
|
|
3×3×2 1/2
|
88.9
|
73.0
|
86
|
83
|
10×10×5
|
273.0
|
141.3
|
216
|
191
|
|
3×3×2
|
88.9
|
60.3
|
86
|
76
|
10×10×4
|
273.0
|
114.3
|
216
|
184
|
|
3×3×1 1/2
|
88.9
|
48.3
|
86
|
73
|
12×12×10
|
323.8
|
273.0
|
254
|
241
|
|
3×3×1 1/4
|
88.9
|
42.2
|
86
|
70
|
12×12×8
|
323.8
|
219.1
|
254
|
229
|
|
3 1/2×3 1/2×3
|
101.6
|
88.9
|
95
|
92
|
12×12×6
|
323.8
|
168.3
|
254
|
219
|
|
3 1/2×3 1/2×2 1/2
|
101.6
|
73.0
|
95
|
89
|
12×12×5
|
323.8
|
141.3
|
254
|
216
|
|
3 1/2×3 1/2×2
|
101.6
|
60.3
|
95
|
83
|
14×14×12
|
355.6
|
323.8
|
279
|
270
|
|
3 1/2×3 1/2×1 1/2
|
101.6
|
48.3
|
95
|
79
|
14×14×10
|
355.6
|
273.0
|
279
|
257
|
|
|
|
|
|
|
14×14×8
|
355.6
|
219.1
|
279
|
248
|
|
|
|
|
|
|
14×14×6
|
355.6
|
168.3
|
279
|
238
|
*All dimensions are in mm unit.
*Tolerances of dimensions are in conformance with ASME B16.9
*Related products:
|
ASME B16.9 BUTTWELDING PIPE FITTINGS
|
|||
Tags:from dn15 to dn350
Views: 6412 Author:METALS INDUSTRIAL Date:2015/04/23





