PRODUCT CATEGORY
CONTACT US
- Tel: 0086-311-89642206
- E-mail: sales@hbmetals.com
- E-mail: info@hbmetals.com
ASME B16.9: Straight Tee & Cross
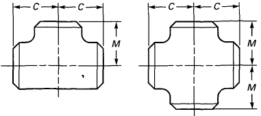
1. Technical Drawings of Straight Tee & Cross(ASME B16.9)
2. Dimensions of Straight Tee & Cross(ASME B16.9)
|
Nominal Pipe
Size(NPS) |
Outside
Diameter |
Center to End
|
|
|
Run, C
|
Outlet, M
|
||
|
1/2
|
21.3
|
25
|
25
|
|
3/4
|
26.7
|
29
|
29
|
|
1
|
33.4
|
38
|
38
|
|
1 1/4
|
42.2
|
48
|
48
|
|
1 1/2
|
48.3
|
57
|
57
|
|
2
|
60.3
|
64
|
64
|
|
2 1/2
|
73
|
76
|
76
|
|
3
|
88.9
|
86
|
86
|
|
3 1/2
|
101.6
|
95
|
95
|
|
4
|
114.3
|
105
|
105
|
|
5
|
141.3
|
124
|
124
|
|
6
|
168.3
|
143
|
143
|
|
8
|
219.1
|
178
|
178
|
|
10
|
273
|
216
|
216
|
|
12
|
323.8
|
254
|
254
|
|
14
|
355.6
|
279
|
279
|
|
16
|
406.4
|
305
|
305
|
|
18
|
457
|
343
|
343
|
|
20
|
508
|
381
|
381
|
|
22
|
559
|
419
|
419
|
|
24
|
610
|
432
|
432
|
|
26
|
660
|
495
|
495
|
|
28
|
711
|
521
|
521
|
|
30
|
762
|
559
|
559
|
|
32
|
813
|
597
|
597
|
|
34
|
864
|
635
|
635
|
|
36
|
914
|
673
|
673
|
|
38
|
965
|
711
|
711
|
|
40
|
1016
|
749
|
749
|
|
42
|
1067
|
762
|
711
|
|
44
|
1118
|
813
|
762
|
|
46
|
1168
|
851
|
800
|
|
48
|
1219
|
889
|
838
|
*All dimensions are in mm unit.
*Tolerances of dimensions are in conformance with ASME B16.9
*Related products:
|
ASME B16.9 BUTTWELDING PIPE FITTINGS
|
|||
Views: 4066 Author:METALS INDUSTRIAL Date:2015/04/23





